ارسل لنا عبر البريد الإلكتروني
منتجات
صمام تبديل هوائي TAC
  • صمام تبديل هوائي TACصمام تبديل هوائي TAC

صمام تبديل هوائي TAC

باعتبارنا شركة مصنعة محترفة، تود شركة OLK أن تقدم لك صمام تبديل هوائي TAC. وستقدم لك OLK أفضل خدمة ما بعد البيع والتسليم في الوقت المناسب.

يعد صمام التبديل الهوائي TAC (المعروف أيضًا باسم صمام التبديل) أحد مكونات التبديل الدقيقة المصممة خصيصًا للأنظمة الهوائية والتحكم في السوائل. بفضل هيكل التحكم الفريد من نوعه من نوع التبديل، فإنه يحقق التبديل السريع والتحكم الدقيق في مسارات السوائل.

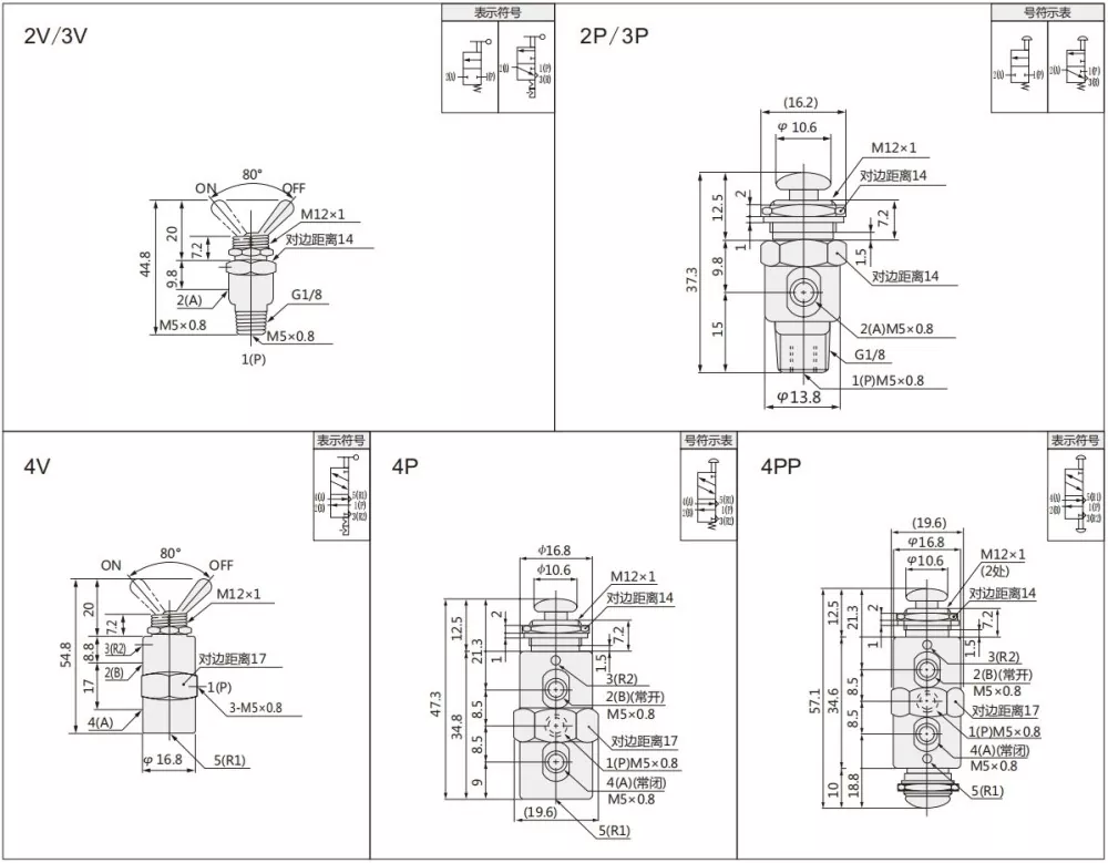
يحتوي صمام التبديل من سلسلة TAC على وضعين في اتجاهين، وموضعين في 3 اتجاهات، و2 في 5 اتجاهات يمكن اختيارهما. مجموعة متنوعة من نوع الرافعة ونوعين من الخيوط: M5، G1/8.

سيناريوهات التطبيق

معدات الأتمتة الصناعية، المعالجة الميكانيكية، معالجة مواد البناء، الطاقة والتعدين، صناعة الأغذية والمشروبات، المعدات الطبية، إلخ.

ميزات المنتج

إنه صغير الحجم، ويتطلب مساحة تثبيت صغيرة، وسهل التشغيل يدويًا، مما يجعله مناسبًا للسيناريوهات التي تتطلب التبديل المتكرر.

TAC  تبديل رمز الصمام والمخطط التفصيلي

كود أوديرينج

تاك

2

__

2

P

 

 

 

 

 

صمام تبديل سلسلة TAC

 

 

2:2 موضع 2 اتجاه (M5)

P: نوع زر الضغط والسحب

 

 

 

3:2 موضع 3 اتجاهات (M5)

الخامس: نوع رافعة اليد

 

 

 

4:2 5 طرق (M5)

PP: زر دفع وسحب مزدوج

 

 

 

31:2 موضع 3 اتجاهات (G1/8)

 

 

 

 

41:2 نقطة 5 طريقة (G1/8)

 

 

نموذج

حجم المنفذ

 

رقم
من الموقف

فعال  
منطقة مستعرضة

نطاق الضغط

سائل العمل

المحيطة
درجة حرارة

 

تاك-2V

مدخل = مخرج = M5   

2 موقف 2 الطريق

1.9 ملم²

0.05 ~ 0.9PPA

هواء

0~60

تاك-2بي

مدخل = مخرج = M5   

2 موقف 2 الطريق

1.9 ملم²

تاك-3V

مدخل = مخرج = M5   

2 موقف 3 الطريق

1.9 ملم²

تاك-3p

مدخل = مخرج = M5   

2 موقف 3 الطريق

1.9 ملم²

تاك-4V

مدخل = مخرج = M5   

2 موقف 5 الطريق

1.9 ملم²

تاك-4بي

مدخل = مخرج = M5   

2 موقف 5 الطريق

1.9 ملم²

4PP

G1/8

 

2 موقف 5 الطريق

4.5 ملم²

TAC2-31V

مدخل=مخرج=عادم=G1/8   

2 موقف 3 الطريق

4.5 ملم²

TAC2-31P

مدخل=مخرج=عادم=G1/8   

2 موقف 3 الطريق

4.5 ملم²

TAC2-41V

المدخل=المخرج=G1/8   العادم=M5

2 موقف 5 الطريق

4.5 ملم²

TAC2-41P

المدخل=المخرج=G1/8   العادم=M5

2 موقف 5 الطريق

4.5 ملم²

TAC2-41PP

المدخل=المخرج=G1/8   العادم=M5

2 موقف 5 الطريق

4.5 ملم²

الأسئلة الشائعة:

ما هو الفرق بين صمام التبديل والصمام الميكانيكي؟

يمكن التمييز بين صمام التبديل والصمام الميكانيكي حسب نوع التحكم: صمام التبديل هو نوع تثبيت الرافعة، والصمام الميكانيكي هو نوع زر الدفع أو نوع الأسطوانة

 

ما هو الفرق بين صمام التبديل والصمامات الأخرى؟

التحكم الدقيق: تحقق الصمامات التبديلية تنظيمًا دقيقًا للتدفق من خلال قلب الصمام المخروطي، وهو مناسب للتحكم الدقيق في خطوط الأنابيب ذات القطر الصغير، في حين أن الصمامات الكروية أكثر ملاءمة لعمليات الفتح والإغلاق السريعة.

الكلمات الساخنة: TAC صمام تبديل هوائي، الصين، الشركة المصنعة، المورد، المصنع
إرسال استفسار
معلومات الاتصال
  • عنوان

    طريق Zhengtai، منطقة Xinguang الصناعية، Liushi، Yueqing، Wenzhou، Zhejiang، الصين.

  • بريد إلكتروني

    cici@olkptc.com

أهلا في موقعنا! للاستفسارات حول منتجاتنا أو قائمة الأسعار، يرجى ترك البريد الإلكتروني الخاص بك لنا وسنكون على اتصال خلال 24 ساعة.
بريد إلكتروني
cici@olkptc.com
هاتف
86-0577 57178620
متحرك
+86-13736765213
عنوان
طريق Zhengtai، منطقة Xinguang الصناعية، Liushi، Yueqing، Wenzhou، Zhejiang، الصين.
X
نحن نستخدم ملفات تعريف الارتباط لنقدم لك تجربة تصفح أفضل، وتحليل حركة مرور الموقع، وتخصيص المحتوى. باستخدام هذا الموقع، فإنك توافق على استخدامنا لملفات تعريف الارتباط. سياسة الخصوصية
يرفض يقبل