ارسل لنا عبر البريد الإلكتروني
منتجات
وحدة SMC من النوع AC FRL
  • وحدة SMC من النوع AC FRLوحدة SMC من النوع AC FRL
  • وحدة SMC من النوع AC FRLوحدة SMC من النوع AC FRL
  • وحدة SMC من النوع AC FRLوحدة SMC من النوع AC FRL

وحدة SMC من النوع AC FRL

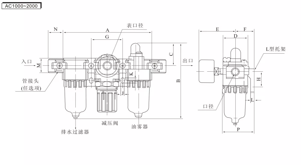
Model:AC2000-02
تعد وحدة SMC Type AC FRL (مرشح-منظم-مشحم) مكونًا أساسيًا هوائيًا يدمج ترشيح مصدر الهواء، وتقليل الضغط وتنظيمه، ومعالجة التشحيم. إنه يوفر هواءًا مضغوطًا نظيفًا ومستقرًا ومُشحمًا للأنظمة الهوائية، وبالتالي يطيل عمر المكونات الهوائية ويعزز استقرار النظام. تعمل وحدة OLK AC Series FRL بمثابة "الوصي" الأساسي للأنظمة الهوائية الحديثة.
  • Brand:

    OLK
  • Type:

    SMC TYPE AC SERIES
  • Port size:

    PT1/8 ; PT1/4 ; PT3/8 ; PT1/2 ; PT3/4 ; PT1
  • Filter Material:

    Copper filter

ميزات وتصميم وحدة AC FRL من النوع SMC:

تعديل القفل الذاتي: يتميز بآلية القفل الذاتي للضغط. بمجرد ضبط الضغط المطلوب، ما عليك سوى الضغط على المقبض لأسفل لقفله. وهذا يمنع تغيير الضغط المضبوط بسبب الاهتزازات الخارجية أو الاتصال العرضي.

تصريف متعدد الاستخدامات: متوفر بخياري التصريف اليدوي والتصريف التلقائي ليناسب ظروف التشغيل المختلفة. يسمح الوعاء الشفاف بمراقبة مستويات المياه بسهولة.

مقياس عالي الدقة: مزود بمقياس ضغط عالي الدقة للحصول على قراءات واضحة ودقيقة ومراقبة ضغط النظام في الوقت الحقيقي.

وحدة SMC من النوع AC FRL

تحقق من اتجاه التدفق: يرجى التحقق من اتجاه تدفق الهواء قبل التثبيت! توجد علامات اتجاه التدفق (أسهم أو داخل/خارج) أعلى جسم الصمام. بدقة اتبع هذه المؤشرات للتثبيت. سيؤدي التثبيت في الاتجاه المعاكس إلى حدوث خلل أو تسرب.

الصيانة الدورية: افحص مستوى الماء في الوعاء بانتظام وقم بتصريفه في حالة استخدام نوع التصريف اليدوي. أعد ملء زيت التشحيم عندما يكون منخفضًا (يوصى باستخدام زيت التوربين ISO VG32).

رمز وحدة SMC من النوع AC FRL:

رمز الطلب

تكييف

2000

-

02

-

D

رمز السلسلة

حجم القشرة

 

حجم المنفذ:

 

طريقة التصريف

التيار المتردد: وحدة SMC من النوع AC FRL

1000

 

م5: م5

 

فارغ: استنزاف يدوي

 

2000

 

02:1/4

 

ج: استنزاف الضغط التفاضلي

 

3000

 

03:3/8

 

د: التصريف التلقائي

 

4000

 

04:1/2

 

 

 

5000

 

06:3/4

 

 

 

 

 

10:1

 

 

 

ضغط إثبات

1.5 ميجا باسكال (15.3 كجم قوة/سم مكعب)

ماكس. ضغط العمل

1.0 ميجا باسكال (10.2 كجم قوة / سم مكعب)

البيئة ودرجة حرارة السوائل

5-60 درجة مئوية

فتحة التصفية

5μm

زيت

ISOVG32

مواد الكأس

جهاز كمبيوتر

غطاء كوب

AC1000-2000 (بدون) AC3000-5000 (مع)

نطاق تنظيم الضغط

AC1000:0.05-0.7 ميجاباسكال (0.51-7.1 كجم/سم³)

AC2000-5000:0.05-0.085 ميجا باسكال (0.51-8.7 كجم ثقلي / سم مكعب)

سلسلة فتحة قياس الضغط


2000 سلسلة

3000 سلسلة

4000 سلسلة

5000 سلسلة

فصيل عبد الواحد

1/8

1/4

تكييف

ر

1/4

-

BFC

-

خطوات التثبيت لوحدة SMC Type AC FRL:

أولاً، قم بتثبيت الوصلات باستخدام شريط PTFE المغلف ومقياس الضغط

2. اتبع اتجاه السهم: الجانب الأيسر هو مدخل الهواء، والجانب الأيمن هو مخرج الهواء

3. قم بتوصيل أنابيب الهواء بالتركيبات الخاصة بها في كلا الطرفين

4. ارفع صامولة ضبط الضغط لأعلى وقم بتدويرها لتنظيم الضغط؛ يؤدي الدوران في اتجاه عقارب الساعة إلى زيادة تدفق الهواء، بينما يؤدي الدوران عكس اتجاه عقارب الساعة إلى تقليل تدفق الهواء

5. اضبط ضغط الهواء المطلوب، ثم اضغط على صامولة الضبط لأسفل لقفل الهواء

6. إذا كانت هناك حاجة للوقود، قم بفك المسمار الموجود على أداة التزييت

7. صب زيت صيانة الهواء أو زيت التوربين في مدخل الزيت (تأكد من أن الزيت الهوائي لا يتجاوز خط مستوى الزيت الموضح على الكوب)

8. بعد ملء الزيت الهوائي، قم بربط الصامولة باستخدام مفتاح ألين

9. اضبط إمداد الزيت عن طريق التدوير: في اتجاه عقارب الساعة يزيد تدفق الزيت، وعكس اتجاه عقارب الساعة يقلله


نوع الصرف

مبدأ العمل

بيئة التطبيق

المزايا

العيوب

التصريف اليدوي

يتم تصريف المياه المتراكمة في وعاء الفلتر عن طريق تدوير صمام الصرف يدويًا أو الضغط عليه على فترات منتظمة. ما إذا كان الصرف كاملاً يعتمد كليًا على التشغيل اليدوي.

أنظمة أو تطبيقات بسيطة ذات متطلبات صرف غير متكررة.

هيكل بسيط، معدل فشل منخفض، لا يتطلب صيانة إضافية.

يعتمد على التشغيل اليدوي؛ من السهل أن تنسى التصريف. قد يؤثر تراكم الماء الزائد على أداء الترشيح.

استنزاف الضغط التفاضلي

يستخدم فرق الضغط قبل وبعد الفلتر. عندما يزداد تراكم المكثفات ويصل فرق الضغط إلى قيمة محددة مسبقًا، يتم فتح الصرف تلقائيًا. ويتم إغلاقه مرة أخرى بمجرد عودة فرق الضغط إلى وضعه الطبيعي. يعمل فقط عندما يكون هناك ضغط الهواء وتدفقه.

البيئات ذات إمدادات الهواء المستقرة وظروف التشغيل البسيطة، حيث يكون التشغيل اليدوي غير مناسب.

لا حاجة لإمدادات الطاقة. الصرف التلقائي، أكثر موثوقية من الصرف اليدوي.

يتطلب ضغط هواء مستقر. يكون أداء الصرف محدودًا أثناء فترات الإغلاق الطويلة أو عندما لا يكون هناك فرق في الضغط.

استنزاف تلقائي

يستخدم آلية التعويم أو الموقت. عندما يصل المكثف إلى مستوى معين، يتم فتح الصرف تلقائيًا

خطوط وأنظمة إنتاج آلية ذات متطلبات جودة عالية للهواء المضغوط.

أداء الصرف في الوقت المناسب ومستقر.

تكلفة أعلى نسبيا.


الأسئلة المتكررة:

لماذا يطلق عليه اسم AC FRL؟

AF (فلتر الهواء) + AR (صمام تنظيم الضغط) + AL (مشحم رذاذ الزيت) = وحدة تيار متردد ثلاثية


طريقة الاتصال الموصى بها

ضاغط الهواء - معالج مصدر الهواء - مكون التحكم - المحرك


ماذا علي أن أفعل إذا كان الغطاء الواقي للكوب البلاستيكي ينكسر بسهولة في كثير من الأحيان؟

غالبًا ما يجد بعض العملاء أن الأكواب البلاستيكية تتشقق ليس بسبب الضغط ولكن بسبب المادة. الأكواب البلاستيكية ليست مقاومة لبيئات معينة، مما يجعل الأكواب المعدنية بديلاً أفضل في ظروف معينة


كيفية إطالة عمر خدمة أسطوانات صمام الملف اللولبي؟

يمكن أن يؤدي استخدام الفلتر إلى إزالة الرطوبة والشوائب من الهواء، مما يقلل بشكل فعال من أضرار الاحتكاك للمكابس وحلقات الختم. يمكن استخدام أداة التشحيم لإضافة زيت التوربين، والذي يتم بعد ذلك حمله بالهواء لتشحيم مكبس الأسطوانة وحلقات الختم. يمكن لمنظم الضغط ضبط ضغط الهواء الداخل، مما يزيد من تحسين كفاءة العمل


ما هي المادة المصنوعة منها عنصر الفلتر لـ OLK؟

تستخدم OLK عناصر مرشح نحاسية بدقة ترشيح تصل إلى 25 ميكرومتر، بينما تتمتع عناصر مرشح الألياف العادية بدقة ترشيح تبلغ 5 ميكرومتر فقط. يمكن لعناصر الفلتر عالية الدقة إزالة الشوائب والرطوبة من الغاز بشكل فعال، مما يضمن أن الهواء الناتج جاف وخالي من الملوثات


الكلمات الساخنة: وحدة SMC من النوع AC FRL، الصين، الشركة المصنعة، المورد، المصنع
إرسال استفسار
معلومات الاتصال
  • عنوان

    طريق Zhengtai، منطقة Xinguang الصناعية، Liushi، Yueqing، Wenzhou، Zhejiang، الصين.

  • بريد إلكتروني

    cici@olkptc.com

أهلا في موقعنا! للاستفسارات حول منتجاتنا أو قائمة الأسعار، يرجى ترك البريد الإلكتروني الخاص بك لنا وسنكون على اتصال خلال 24 ساعة.
بريد إلكتروني
cici@olkptc.com
هاتف
86-0577 57178620
متحرك
+86-13736765213
عنوان
طريق Zhengtai، منطقة Xinguang الصناعية، Liushi، Yueqing، Wenzhou، Zhejiang، الصين.
X
نحن نستخدم ملفات تعريف الارتباط لنقدم لك تجربة تصفح أفضل، وتحليل حركة مرور الموقع، وتخصيص المحتوى. باستخدام هذا الموقع، فإنك توافق على استخدامنا لملفات تعريف الارتباط. سياسة الخصوصية
يرفض يقبل