ارسل لنا عبر البريد الإلكتروني
منتجات
SCT اسطوانة التعادل رود
  • SCT اسطوانة التعادل رودSCT اسطوانة التعادل رود
  • SCT اسطوانة التعادل رودSCT اسطوانة التعادل رود
  • SCT اسطوانة التعادل رودSCT اسطوانة التعادل رود

SCT اسطوانة التعادل رود

مرحبًا بكم في أسطوانة قضيب التعادل SCT بالجملة أو المخصصة من مصنعنا في أي وقت. سوف نقدم لك أسعار خصم المصنع لمنتجاتنا. OLK هي شركة مصنعة وموردة لأسطوانة قضيب التعادل SCT في الصين.

تتميز أسطوانة قضيب الربط SCT بحلقات إغلاق YCC ثنائية الاتجاه وتصميم قوي مزدوج الشوط، مع مظهر مدمج ومصقول يضمن العمل السريع والإخراج السلس والمستقر. تحتوي كل طبقة من الأسطوانة على مكبس فردي، وأثناء عملية الدفع والسحب، تتقاسم المكابس المتعددة الحمل، مما يسمح للأسطوانة بتحقيق الطول الأكثر إحكاما مع توليد قوة خرج مضاعفة من خلال هيكلها المكدس متعدد الطبقات. يوفر هذا التصميم ذو القوة المزدوجة طاقة أقوى، كما يوفر تكوين حلقات الختم الستة أداءً ممتازًا في الغلق، مما يتيح للأسطوانة الاحتفاظ بضغط يصل إلى 1.4 ميجا باسكال دون تسرب.

خاصية اسطوانة قضيب التعادل SCT

· اسطوانات OLK القياسية.

عندما يمتد قضيب المكبس، تولد جميع المكابس قوة دفع. ومع ذلك، أثناء التراجع، ينتج مكبس واحد فقط قوة سحب.

· اسطوانة من نوع قضيب التعادل؛ يتم توصيل الأغطية الأمامية والخلفية بجسم أنبوب الألومنيوم بقضبان ربط لضمان الموثوقية العالية.

· يمكن لقضيب المكبس تحقيق نقاط تحديد المواقع المتعددة أثناء السكتة الدماغية الكاملة.

· توسيد ناعم وقابل للتعديل.

· تتوفر مواصفات مختلفة للأسطوانة وملحقات التثبيت للعملاء للاختيار من بينها.

· تعتبر مواد الختم المقاومة للحرارة العالية اختيارية، مما يسمح للأسطوانة بالعمل بشكل طبيعي عند 150 درجة مئوية.


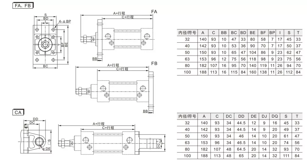
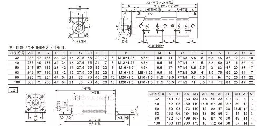
رمز اسطوانة قضيب التعادل SCT 


رمز الطلب

SCT

50

   X   

50

   X   

50

  -  

S

 

 

 

نموذج:

حجم التجويف

 

السكتة الدماغية 1

 

السكتة الدماغية 2

 

مغناطيس

مادة الختم

نوع التركيب

خيط

اسطوانة قضيب التعادل SCT

 

 

 

 

 

 

فارغة: بدون

فارغة: تي بي يو

فارغ :

فارغ:

خيط بي تي

 

 

 

 

 

 

 

S: مع المغناطيس

ن:نبر

LB: تركيب الساق

T: موضوع معاهدة حظر الانتشار النووي

 

 

 

 

 

 

 

 

ح:

 

G:G الموضوع


حجم التجويف (مم)

   32   

   40   

   50   

   63   

   80   

   100

وضع التمثيل

2. التراجع

وسط العمل

الهواء النظيف

شكل ثابت

الأساسية وLB 

ضغط العمل

0.1-1.0 ميجا باسكال (14-145 رطل لكل بوصة مربعة)

إثبات الضغط

1.5 ميجا باسكال (215 رطل لكل بوصة مربعة)

· توسيد ناعم وقابل للتعديل.

'-20-80 درجة مئوية

فارغة: بدون

30-800

وضع التخزين المؤقت

عازلة قابلة للتعديل

مسافة التخزين المؤقت (مم)

21

28

29

حجم المنفذ

بي تي1/8

بي تي1/4

PT3/8

بي تي1/2



مخططات التحكم الهوائي للأسطوانات متعددة المواضع

يحتوي كل قسم من الاسطوانة على مكبس.

عندما يمتد قضيب المكبس، تولد جميع المكابس قوة دفع. ومع ذلك، أثناء التراجع، ينتج مكبس واحد فقط قوة سحب.

يتم توصيل مدخل الهواء للأسطوانة① بالمنفذ A لصمام الملف اللولبي، ويتم توصيل مدخل الهواء للأسطوانة④ على التوالي بالمنفذ B لصمام الملف اللولبي. مدخل الهواء للأسطوانة③متصل بكاتم الصوت. عندما يتم تنشيط المنفذ A من صمام الملف اللولبي، تبقى الأسطوانات في وضع التراجع. عندما يتم تنشيط المنفذ B، تبدأ الأسطوانات في العمل.

1.الامتداد

عند تشغيل مصدر الهواء:

يتم تنشيط صمام الملف اللولبي رقم 1، وتمتد الأسطوانة إلى الشوط الأول.

 

يتم إلغاء تنشيط صمام الملف اللولبي رقم 1 ورقم 2، وتتراجع الأسطوانة بالكامل.

 

2. التراجع

عندما يتم تمديد قضيب المكبس بالكامل:

يتم إلغاء تنشيط صمام الملف اللولبي رقم 1 ورقم 2، وتتراجع الأسطوانة بالكامل.

1. التمديد (السكتة الدماغية إلى الأمام)

عند تشغيل مصدر الهواء:

يتم تنشيط صمام الملف اللولبي رقم 1 ورقم 2 في نفس الوقت.

يمتد قضيب الأسطوانة خلال جميع الضربات حتى يتم تمديده بالكامل.

 

2. التراجع (العودة خطوة بخطوة)

①العودة إلى المركز الثاني

عندما يتم تمديد قضيب المكبس بالكامل:

يتم إلغاء تنشيط صمام الملف اللولبي رقم 2، مما يتسبب في تراجع الأسطوانة إلى الموضع الثاني.

② العودة إلى المركز الأول

يتم إلغاء تنشيط صمام الملف اللولبي رقم 1، مما يتسبب في تراجع الأسطوانة إلى الموضع الأول وإكمال عملية العودة.

 

 


الأسئلة الشائعة:

SZELEP TÍPUS

تنتمي أسطوانة SCT إلى نوع قضيب ربط الأسطوانة الهوائية القياسي


الكلمات الساخنة: SCT Tie-Rod Cylinder، الصين، الشركة المصنعة، المورد، المصنع
إرسال استفسار
معلومات الاتصال
  • عنوان

    طريق Zhengtai، منطقة Xinguang الصناعية، Liushi، Yueqing، Wenzhou، Zhejiang، الصين.

  • بريد إلكتروني

    cici@olkptc.com

أهلا في موقعنا! للاستفسارات حول منتجاتنا أو قائمة الأسعار، يرجى ترك البريد الإلكتروني الخاص بك لنا وسنكون على اتصال خلال 24 ساعة.
بريد إلكتروني
cici@olkptc.com
هاتف
86-0577 57178620
متحرك
+86-13736765213
عنوان
طريق Zhengtai، منطقة Xinguang الصناعية، Liushi، Yueqing، Wenzhou، Zhejiang، الصين.
X
نحن نستخدم ملفات تعريف الارتباط لنقدم لك تجربة تصفح أفضل، وتحليل حركة مرور الموقع، وتخصيص المحتوى. باستخدام هذا الموقع، فإنك توافق على استخدامنا لملفات تعريف الارتباط. سياسة الخصوصية
يرفض يقبل