ارسل لنا عبر البريد الإلكتروني
منتجات
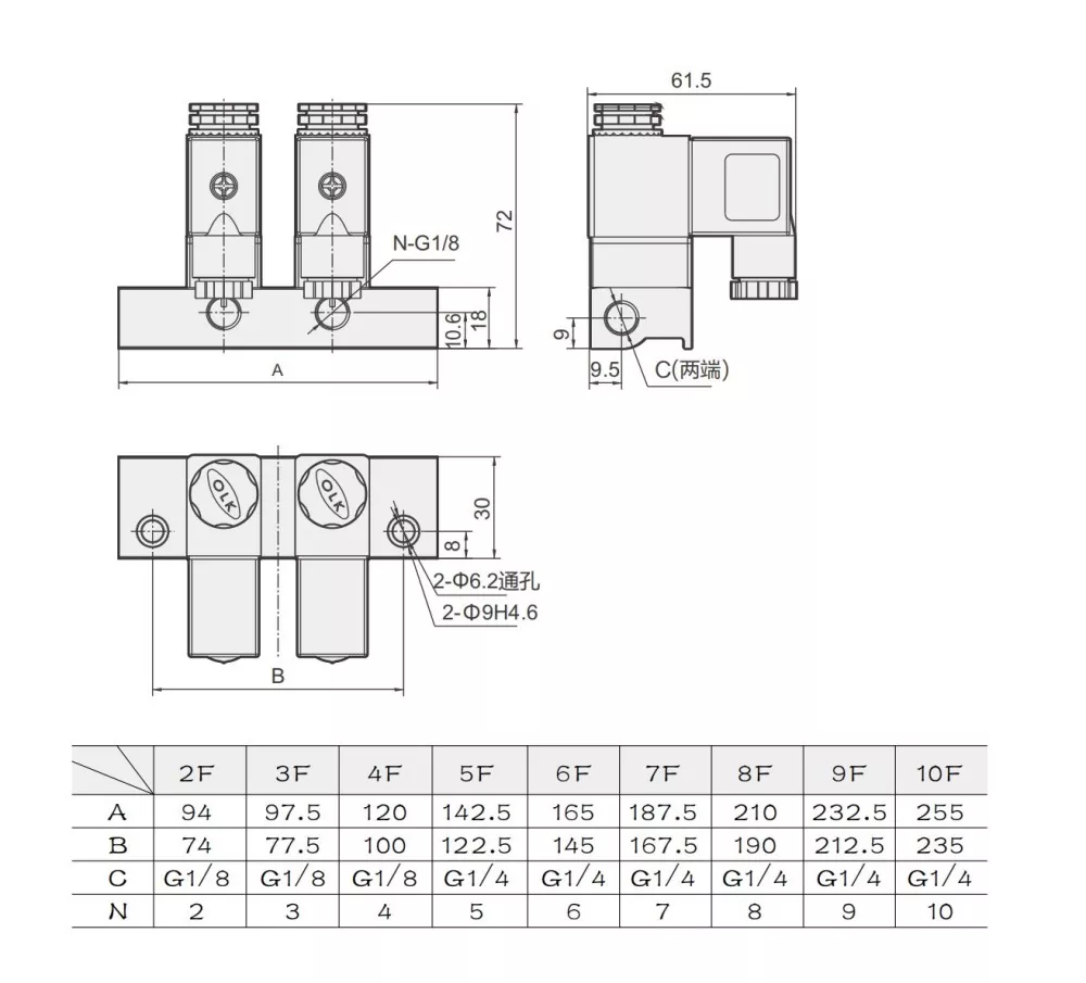
2V025 مشعب صمام الملف اللولبي
  • 2V025 مشعب صمام الملف اللولبي2V025 مشعب صمام الملف اللولبي
  • 2V025 مشعب صمام الملف اللولبي2V025 مشعب صمام الملف اللولبي

2V025 مشعب صمام الملف اللولبي

يمكن توصيل صمام الملف اللولبي المغلق عادة ثنائي الموضع، ثنائي الاتجاه، ثنائي الوضع 2V025 لتشكيل قاعدة صمام وفقًا لمتطلبات التطبيق، مع توسع مرن من 2 إلى 12 موضعًا. يتميز مشعب صمام الملف اللولبي 2V025 متعدد المحطات بتصميم مدمج وخفيف الوزن ولكن لا يمكن تفكيكه للاستخدام الفردي. جسم الصمام مصنوع من سبائك الألومنيوم عالية الجودة ويستخدم مادة الختم NBR.

اعتمادًا على اتجاهات السحب والعادم، يمكن تقسيم مشعب صمام الملف اللولبي 2V025 إلى أنواع الضغط الإيجابي بمدخل واحد ومنافذ متعددة، وأنواع الضغط السلبي مع مداخل متعددة ومخرج واحد. يمكن تطبيق الضغط السلبي في مضخات التفريغ. نظرًا لأن الضغط الإيجابي والسلبي يعمل في اتجاهين متعاكسين، فيرجى استشارة فريق مبيعات OLK قبل تقديم الطلب

2V025 بيانات المعلمات العامة لمشعب الملف اللولبي:

فعل

التمثيل المباشر

عدد المناصب

وضعان في اتجاهين

الحالة الأولية

لا، نورث كارولاينا

التشحيم

غير ضروري

نطاق ضغط العمل MPa(psi)

0 ~ 0.8 ميجا باسكال (0 ~ 114 رطل لكل بوصة مربعة)

مقاومة الضغط مضمونة

1.5 ميجا باسكال (215 رطل لكل بوصة مربعة)

الجهد القياسي

تيار متردد 220 فولت، تيار متردد 110 فولت، تيار متردد 24 فولت، تيار مستمر 24 فولت، تيار مستمر 12 فولت

استخدام نطاق الجهد

التيار المتردد: ±15% تيار مستمر: ±10%

استهلاك الطاقة

تيار متردد: 6 فولت تيار مستمر: 6 وات

مستوى الحماية

IP65 (DIN40050)

درجة مقاومة الحرارة

الفئة ب

نوع الاتصال

نوع مقبس DIN، نوع المخرج

وقت الإثارة

0.05 ثانية أو أقل

جسم الصمام

سبائك الألومنيوم

الأسئلة الشائعة:

ما هو الفرق بين 2V025-06 و 2V025-08؟

الفرق بين 2V025-06 و2V025-08 هو قطر المنفذ. 06 = G1/8، و08 = G1/4


هل يمكن دمج 2V025 معًا لتشكيل صمام مشعب؟

يمكن أن يشكل ما يصل إلى 10 قطع من صمام الملف اللولبي 2V025 صمامًا مشعبًا.


ما هي السيناريوهات التي يناسبها الصمام ثنائي الاتجاه 2V025؟

يعتبر الصمام ثنائي الاتجاه 2V025 مناسبًا لسيناريوهات عمل النفخ، ولكنه غير مناسب للأسطوانات الهوائية لأنه لا يوجد منفذ عادم.


هل يمكن استخدام صمام الملف اللولبي 2V025 في بيئة الضغط السلبي؟

من المؤكد أن صمام الملف اللولبي 2V025 المزود بمداخل هواء متعددة ومخرج واحد مناسب للاستخدام مع مضخة التفريغ.


هل صمام التحكم في السوائل 2V025 مفتوح بشكل طبيعي؟

نعم، 2V025-06-NO: المدخل: G1/8، المخرج: M5

2V025-08-NO: المدخل: G1/4، المخرج: M5

مشعب صمام الملف اللولبي 2V025 ذو الاتجاهين  مطابقة الملحقات المشتركة


الكلمات الساخنة: 2V025 صمام الملف اللولبي المنوع، الصين، الشركة المصنعة، المورد، المصنع
إرسال استفسار
معلومات الاتصال
  • عنوان

    طريق Zhengtai، منطقة Xinguang الصناعية، Liushi، Yueqing، Wenzhou، Zhejiang، الصين.

  • بريد إلكتروني

    cici@olkptc.com

أهلا في موقعنا! للاستفسارات حول منتجاتنا أو قائمة الأسعار، يرجى ترك البريد الإلكتروني الخاص بك لنا وسنكون على اتصال خلال 24 ساعة.
بريد إلكتروني
cici@olkptc.com
هاتف
86-0577 57178620
متحرك
+86-13736765213
عنوان
طريق Zhengtai، منطقة Xinguang الصناعية، Liushi، Yueqing، Wenzhou، Zhejiang، الصين.
X
نحن نستخدم ملفات تعريف الارتباط لنقدم لك تجربة تصفح أفضل، وتحليل حركة مرور الموقع، وتخصيص المحتوى. باستخدام هذا الموقع، فإنك توافق على استخدامنا لملفات تعريف الارتباط. سياسة الخصوصية
يرفض يقبل